Direktteilapparat VA mit Dreibackenfutter DBF 100

1,00 €*

Produktnummer: B609800016
Produktinformationen "Direktteilapparat VA mit Dreibackenfutter DBF 100"

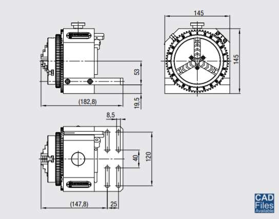
Dieser Direktteilapparat mit Dreibackenfutter ist speziell für den Einsatz auf Drahterodiermaschinen vorgesehen.
Durch das Befestigungsbohrbild ist eine Montage auf Bohrungsraster 40 mm und 50 mm mittels M8-Schraube möglich. Die Teilung erfolgt über die 72er-Teilscheibe, die Zwischenteilungen über die 360°-Skala und den Nonius.

0 von 0 Bewertungen

Geben Sie eine Bewertung ab!

Teilen Sie Ihre Erfahrungen mit dem Produkt mit anderen Kunden.